发布时间:2026-03-17 16:13:20
在工业控制、开关电源、智能仪表等核心电子设备中,光耦作为实现电气隔离、抑制干扰的关键元器件,其性能稳定性直接决定了整个系统的可靠性与安全性。电路设计中,光耦的选型核心在于参数匹配与场景适配。奥特AT3H7系列作为晶体管输出型光耦,在关键性能指标上表现突出,完美契合工业级应用的严苛要求。
一、AT3H7性能参数
作为隔离器件的核心指标,AT3H7系列的隔离电压达到3750Vrms,远超常规应用需求,能有效隔离高低压电路,避免高压侧干扰侵入低压控制回路,为系统安全筑牢第一道防线。同时,其集电极-发射极击穿电压BVCEO≥80V,确保在复杂电压环境下不会出现击穿失效,提升了电路的容错率。

电流转换比(CTR)是光耦信号传输效率的关键参数。信号传输精准高效,且提供A、B、C、D多档位选择,工程师可根据不同负载需求灵活匹配,避免因CTR选型不当导致的动态性能差、系统不稳定等问题。
二、产品核心优势
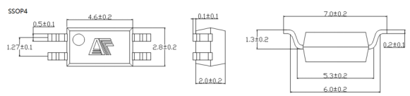
在小型化与环保趋势下,AT3H7系列精准契合市场需求。采用4引脚SSOP4封装,体积较传统DIP封装缩小40%以上,特别适合高密度PCB板设计,为智能终端、便携设备的小型化提供可能。

1.宽温运行无压力
AT3H7系列凭借-55℃~±110℃的超宽工作温度区间,轻松应对高低温极端场景。有效避免因温度变化导致的信号失真或器件失效,大幅提升终端产品的环境适应性与使用寿命。
2.强化绝缘+高隔离电压
AT3H7系列不仅严格符合加强绝缘标准,更具备3750Vrms的高隔离电压,能彻底阻断输入与输出端的电气干扰,从根源上防止高压窜入造成的设备损坏或人员安全隐患。
3.高增益宽动态,信号传输精准高效
信号传输的“精准度”与“效率”是AT3H7系列的另一大亮点。该系列采用高灵敏度光电晶体管设计,支持多等级CTR选型,能精准匹配不同场景的信号放大需求。为测量仪器、传感器信号处理等高精度场景提供有力支撑。
三、应用场景
凭借“宽温、高隔离、高精度、小体积”的综合优势,AT3H7系列已打破进口品牌垄断,广泛应用于多个核心领域,成为各行业客户替代进口、降本增效的信赖之选。

奥特AT3H7目前已实现充足现货库存供应,可全面覆盖企业小批量试样、中批量量产及紧急补货等多样化需求。现货库存能够有效缩短采购周期,避免因元器件短缺导致的生产停滞,帮助企业提升生产效率、加快产品上市节奏。

台湾奥特半导体科技有限公司(以下简称AOTE成立于2018年总部及研发实验室设立于台湾省台中市。旗下分公司-广东奥特半导体有限公司的成立标志着AOTE奥特半导体公司在国内市场的扩张,深圳市作为中国半导体产业的核心地区,具有便捷的交通和良好的产业生态环境,为公司的发展提供了有力的保障。分公司主要负责销售产品,以满足不同地区市场的需求。设立分公司不仅有利于与国内客户的合作,也能更好地了解并满足中国市场的需求。
公司已通过IS09001,IS014001质量管理体系认证。公司对产品高研发投入及设计,现有产品已可PIN对PIN对标及兼容欧美、日、台资的多系列光电耦合器,产品均符合欧盟ROHS、REACH、SGS环保指令标准,并通过中国质量CQC、德国VDE美国UL安规认证等多项国际认证。